Khởi động từ DYZ1-25C
Thông số kỹ thuật khởi động từ DYZ1-25C
| Main Part No. | DYZ1-25C/2ZB□ |
| Contact type | Bi-stable |
| Rated load current of contact
(Resistive load) |
25A×410V DC-1 |
| Contact voltage drop | ≤40mV@25A |
| Insulation resistance | Min. 100MΩ at 500VDC |
| Dielectric strength
(Between Insulated Electric Parts) |
1500VAC 50 HZ/60 HZ (1 minute)
Leak current<1mA |
| Vibration | (10~200)HZ、≤3.5g |
| Shock | (60~100)ops/minute、≤4g |
| Pollution level | III |
| Working duty | Continuous |
■ Điện áp cuộn hút
| Model | Coil voltage | Coil operating voltage(V) | Pick-up voltage(V) | Drop-out voltage(V) | Start power(A) | Coil Power(W) |
| DYZ1-25C/2ZB□ | 12V | 0.85US~1.1US | 20%~80% | 20%~80% | ≤5 | 50~80 |
| 24V | ≤2.5 | |||||
| 48V | ≤1.25 | |||||
| 60V | ≤1 | |||||
| 72V | ≤0.8 |
đại lý DYZ1-25C | nhà phân phối DYZ1-25C
■Part Numbering System

Example: DYZ1-25C/2ZB24; indicates DPDT changeover Magnetic latching DC contactor, rated current at DC-1 load is 25A, coil voltage is DC24V.Products with magnetic blowing.
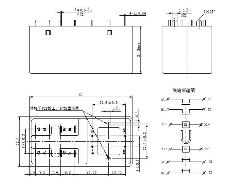
■Shape installation and circuit diagram (Unit: mm)
DYZ1-25C/2ZB□

| Dimension(mm) | Tolerance grade not noted(mm) |
| 0~30 | ±0.3 |
| 30~60 | ±0.5 |
| 60~100 | ±1 |
| >100 | ±2 |






Đánh giá
Chưa có đánh giá nào.